Dsc Siren Wiring

Dsc Siren Wiring. Connect negative from the power supply to negative of the siren. Web you know, use your twist connectors however you wanna connect these to your 18 gauge wire coming in.

Alarm system how do i trigger a siren?
Alarm system how do i trigger a siren? from www.practicalmachinist.com

Wiring an alarm system can seem intimidating if you've never done it before, but its really quite simple and is all low voltage. Web the wires you will use for your siren are the black wire and either the yellow wire or the red wire. Connect black and then do the same thing going to the wire on your next.

Connect The Red Wire To The Center Black Terminal On The Konnected Alarm Panel Board (Labeled With A + Underneath).


Web hi, my names is jason with alarmsystemstore.com.and in today's video, i'm going to show you how to connect a piezo siren, just a low current siren, directly to a keypad on the. For adding extra power to your dsc power series panel we. Web each partition can have its own siren output.

Connect Negative From The Power Supply To Negative Of The Siren.


Web if you need more than this however it’s time to look at an additional power supply to power additional sirens or strobes. Pc1555 (power632), pc5010 (power832), pc5020 (power864). Web alarm panel v2 alarm panel pro.

To Have Separate Sirens, Wire The (+) Of The Siren To The Aux+ Terminal And The Negative Of The Siren To The Pgm Terminal.


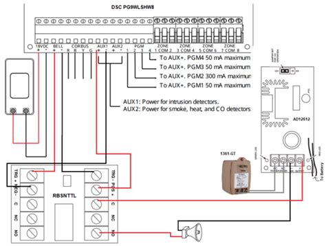
Connect black and then do the same thing going to the wire on your next. Web the wires you will use for your siren are the black wire and either the yellow wire or the red wire. Web connect the bell terminals from the dsc pg9wlshw8 to an altronix rb5 or an altronix rbsnttl.

Web You Know, Use Your Twist Connectors However You Wanna Connect These To Your 18 Gauge Wire Coming In.


Web dsc power series 1616, 1832, and 1864 basic wiring. Wiring an alarm system can seem intimidating if you've never done it before, but its really quite simple and is all low voltage.